服务热线:400-888-5105
当前位置: 首页 >工业品>搬运>吊具 >高强度D形带销卸扣3/4 英寸, 工作载荷 4.75T

高强度D形带销卸扣3/4 英寸, 工作载荷 4.75T

价格
起批量
35.00
1
商品货号
8251429
标准价 :
¥35.00
订购数量 :
起售量 (个) 标准价 采购量 是否有货
1¥35.00
有货
总价
35.00

艾培尔.jpg

产品介绍 Overview

高强度卸扣是以优质合金钢为原料经过锻造、热处理等加工而成的卸扣。

适用范围:

高强度卸扣广泛适用于电力、冶金、石油、机械、铁路、化工、港口、矿山、建筑等各种需要用到吊装的行业。

材质使用:

国标卸扣包括一般起重用卸扣、船用卸扣和普通卸扣,因其重量较重、体积较大,一般安装于不经常拆卸的位置。

选择卸扣时应注意安全系数,一般有4倍、6倍和8倍的。

卸扣使用时一定要严格遵守额定载荷,过度频繁使用和超载使用都是不允许的。

产品特点 Features

6倍强力型卸扣SPD型
1.专为简单频繁的吊装工况而设计
2.适用于真吊装、侧吊装、多负荷吊装系统
3.可追溯性的代码、吊装载荷量、ABLE和WLL的浮雕图案
材料:锻造碳钢和合金钢销
结构:经过热处理(淬火、回火)
外观:热浸镀锌
标准负荷:试验载荷是额定载荷的2倍
安全系数:6:1
疲劳强度:试验抗疲劳强度是额定载荷的1.5倍x20.000次
标准:美国联邦规范RR-C-271D

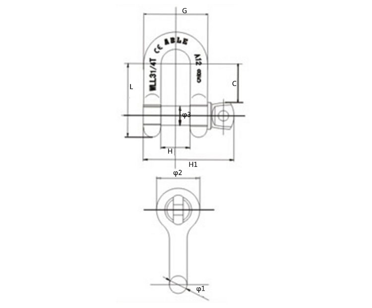
技术参数 Specifications
型号英寸(in.)工作载荷6:1(Ton)重量(kg)
SPD006?1/40.50.05
SPD008? 5/160.750.08
SPD009?3/810.13
SPD011? 7/161.50.2
SPD013?1/220.3
SPD016?5/83.250.58
SPD019?3/44.751.02
SPD022?7/86.51.43
SPD02518.52.16
SPD0281.1/89.53.06
SPD0321.1/4124.11
SPD0381.1/213.57.24
SPD0441.3/41712.14
产品尺寸 Dimensions

SPD.jpg

型号外形尺寸(mm)公差+/-
Hφ3Cφ1φ2GLH1CH
SPD006138226.817.526.628.2537.83.31.5
SPD00813.59.525.582129.53442.53.31.5
SPD0091711.230.910253740.553.53.31.5
SPD01118.512.736.411.32740.547593.31.5
SPD01320.615.841.412.7314654.570.33.31.5
SPD01627195116405967886.351.5
SPD019322263194870821016.351.5
SPD022372572225481931176.351.5
SPD02543.581.7581.826.56096.51041376.351.5
SPD0284832942968106120145.56.351.5
SPD032533510232761171311606.351.5
SPD038624212338921381591946.353.3
SPD0447550148451061651882286.353.3
规格参数
产品类型 卸扣   长度 0  mm
宽度 0  mm 高度 0  mm
重量 20.0  kg 品牌 艾培尔  
额定载荷 4750      
包装参数
体积(m²)
产品重量(kg)
  • 与商品描述相符
  • 5
  • 5
  • 非常不满
  • 不满意
  • 一般
  • 满意
  • 非常满意
联系方式
友情提醒:1、请不要在电话里接受任何人的转账要求
2、请使用搜脉网在线交易,保留交易凭证
3、请不要相信任何中奖、返还款的电话请求
联系人:
电话:
获取更低报价
联系电话:

Copyright©2023 深圳市搜脉信息科技有限公司版权所有粤ICP备16116560号-26地址: 深圳市南山区软件产业基地4栋A座11楼